Dodaj produkty podając kody
- Kompaktowe, w pełni automatycznie pracujące urządzenie do przetłaczania ścieków do instalacji podpowierzchniowej wewnątrz budynków.
Medium
Do gromadzenia i tłoczenia w warunkach domowych:
- Ścieków bez fekaliów
Przetłaczanie ścieków według (DIN) EN 12050
Pompy spełniają wymogi normy EN 12050-2.
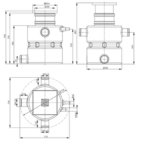
Konstrukcja
Gazo- i wodoszczelny zbiornik retencyjny z tworzywa sztucznego o wnętrzu wolnym od osadów. Dwa przyłącza DN 100 przesunięte o 180° dla dopływu oraz do odpowietrzania i prowadzenia kabli. Przyłącze tłoczne jest przesunięte z boku o 90° w stosunku do obu przyłączy. Pokrywa stanowiąca otwór rewizyjny umożliwia łatwą konserwację urządzenia.
Pompa zatapialna do ścieków ze zintegrowanym urządzeniem zawirowującym, otwartym wirnikiem wielokanałowym i pionowym przyłączem gwintowanym. Korpus pompy, kosz ssawny oraz wirnik z materiału kompozytowego. Silnik 1~ (chłodzenie płaszczowe) ze zintegrowanym kondensatorem roboczym i automatyczną termiczną kontrolą silnika. Korpus silnika ze stali nierdzewnej. Komora uszczelnienia wypełniona olejem z podwójnym uszczelnieniem: po stronie silnika zabudowano pierścień uszczelniający wału, po stronie pompy uszczelnienie mechaniczne. Kabel zasilający z wyłącznikiem pływakowym i wbudowaną wtyczką (CEE 7/7).
Funkcja Twister zapewnia stałe zawirowanie w obszarze ssawnym pompy. Zawirowania zapobiegają obniżaniu się i osadzaniu osadów. W ten sposób uzyskuje się czystą studzienkę odwadniającą i unika powstawania zapachów.
Sterowanie poziomem odbywa się za pomocą wyłącznika pływakowego na pompie. Poziom przełączania „pompa WŁ./WYŁ.” ustawiony jest fabrycznie przez długość przewodu wyłącznika pływakowego.
| Dane hydrauliczne | |
|---|---|
| Maks. ciśnienie robocze PN | 1 bar |
| Min. temperatura przetłaczanej cieczy Tmin | 3 °C |
| Maks. temperatura przetłaczanej cieczy Tmax | 35 °C |
| Temperatura otoczenia min. Tmin | 3 °C |
| Maks. temperatura otoczenia Tmax | 35 °C |
| ciśnienia akustycznego | 54 dB |
| Pojemność załączania V | 24 l |
| Dane silnika | |
|---|---|
| Przyłącze sieciowe | 1~230 V, 50 Hz |
| Prąd znamionowy IN | 3,6 A |
| Stopień ochrony | IP68 |
| Faza | 1 |
| Znamionowa prędkość obrotowa n | 2900 1/min |
| Liczba biegunów | 2 |
| Rodzaj załączania | Bezpośrednio online (DOL) |
| Maks. częstotliwość załączania t | 50 1/h |
| Pobór mocy P1(Q=maks.) wybranego wirnika * liczba pomp P1 | 750 W |
| Tryb pracy (wynurzony) | S3-25% |
| Klasa izolacji | F |
| Materiały | |
|---|---|
| Korpus pompy | PP-GF30 |
| Wirnik | PPE/PS-GF20 |
| Wał | Stal nierdzewna |
| Materiał silnika | Stal nierdzewna |






